Hitung beban ultimit q p dengan menggunakan. Cara menghitung luas tanah.
                        Download Perhitungan Pondasi Footplat Dan Tiang Pancang File
Contoh perhitungan pondasi tiang pancang. Sebuah tiang pancang beton dengan panjang l 20 m. Contoh perhitungan beban normal maksimum n81407 ton. Dari hasil ke tiga perhitungan di atas nanti daya dukung ijin tiang pancang yang akan dipergunakan adalah nilai daya dukung terkecil. Sesudah data didapat barulah melakukan perhitunganuntuk pondasi itu sendiri memiliki banyak jenis yaitu. Dalam tulisan ini terlampir contoh perencanaan perhitungan pondasi tiang pancang. Ukuran penampang tiang tersebut 460 mm x 460 mm.
Misal pada suatu pekerjaan rumah tinggal dengan perencanaan pondasi tiang pancang jack in pile 50 titik ukuran 25x25 cm kedalaman 12 m sampai tanah keras sesuai desain berdasarkan data tanah. Dari hasil ke tiga perhitungan di atas nanti daya dukung ijin tiang pancang yang akan dipergunakan adalah nilai daya dukung terkecil. Analisa daya dukung pondasi tiang pancang 1. Contoh perhitungan beban normal maksimum n81407 ton. Nottingham ini hanya berlaku untuk pondasi tiang pancang schmertmann nottingham 1975 menganjurkan perhitungan daya dukung ujung pondasi tiang menurut cara begemann yaitu diambil dari nilai rata rata perlawanan ujung sondir 8d diatas ujung tiang dan 07d 4d dibawah ujung tiang. Tanah pada lapis i dan ii adalah jenis tanah urug pasir granuler.
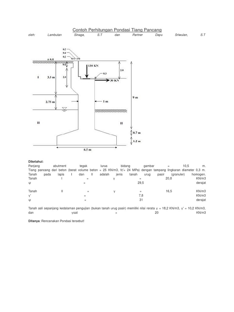
Setelah sebelumnya material rumah membahas tentang komponen utama biaya pekerjaan tiang pancang sekarang kami coba berikan contoh perhitungan biaya tiang pancang tersebut. P daya dukung tiang pancang ijin kg ap luas penampang tiang pancang cm2 as luas tulangan tiang pancang cm2 tbk tegangan ijin beton kg. Pondasi telapak pondasi cakar ayam pondasi menerus pondasi tiang pancang bor pile strauss pile dll. Lambutan sinaga st dan partner dayu sriwulan st. Daya dukung berdasarkan kekuatan bahan paptbkastau. Panjang abutment tegak lurus bidang gambar 105 m.
Pondasi tiang pancang hendaknya direncanakan sedemikian rupa sehingga gaya luar yang bekerja pada kepala tiang tidak melebihi gaya dukung tiang yang diizinkan. Dengan data pasir γ 186 kn m 3 dan φ 30 o. Tiang tertanam penuh ke dalam pasir. Tiang pancang dari beton berat volume beton 25 knm3 fc 24 mpa dengan tampang lingkaran diameter 03 m. D adalah diameter tiang atau sisi tiang p c1 c2 p a 2 q q q x. P daya dukung tiang pancang ijin kg ap luas penampang tiang pancang cm2 as luas tulangan tiang pancang cm2 tbk tegangan ijin beton.
Pondasi dibagi berdasarkan kondisi tanahnya berikut adalah perbedaanya. Adapun yang dimaksud dengan gaya dukung tiang yang diizinkan adalah meliputi aspek gaya dukung tanah yang diizinkan tegangan pada bahan tiang perpindahan kepala tiang yang diizinkan dan gaya gaya lain seperti perbedaan tekanan tanah. Dalam tulisan ini terlampir contoh perencanaan perhitungan pondasi tiang pancang. Daya dukung berdasarkan kekuatan bahan paptbkastau. Contoh perhitungan pondasi tiang pancang. Analisa daya dukung pondasi tiang pancang 1.















